+86-0523-83274900
Sprzęty adaptera Storz - kołnierz
Dom / Produkt / Adaptery / Sprzęty adaptera Storz - kołnierz

Sprzęty adaptera Storz - kołnierz

Sprzęty adaptera służą do łączenia lub konwersji między różnymi standardami i rodzajami wyposażenia. Umożliwiają płynnie podłączenie niezgodnych interfejsów.

Sprzężenia adapterów obejmują, ale nie ograniczają się do: Niemiecki do Storz (mężczyzna/kobieta), niemiecki do leśnictwa, niemiecka do niemiecka, samodzielnie, niemiecka do kołnierza, niemiecka do wielozadaniowa, storz dla storzów, storz do leśnictwa itp.
Wszystkie rodzaje połączeń adapterów można dostosować na żądanie.

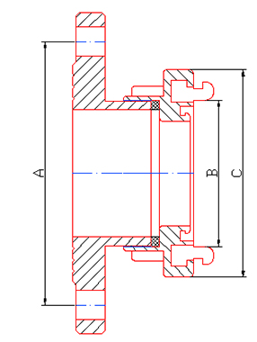
Wymiary Zasoby

Pozycja nr.

DIN/mm

Dia

A/mm

B/mm

C/mm

/

80

3 "

160

89

126

Small100

4 ”

180

115

156

Mały 100 (amerykański standard)

4 ”

190.5

115

156

Big 100

4 ”

180

133

182

Big 100 (American Standard)

4 ”

190.5

133

182

150

6 "

240

160

215

150 (Standard American)

6 "

241.3

160

215

200

8 "

295

220

280

200 (Standard American)

8 "

298.5

220

280

250

10 "

355

278

339

250 (Standard American)

10 "

362

278

339

300

12 "

410

316

384

300 (American Standard)

12 "

431.8

316

384

350

14 "

470

366

448

350 (American Standard)

14 "

476.3

366

448

* Materiały i procesy produkcyjne można dostosować na żądanie.
* Inne wymagania (takie jak ciśnienie robocze, ciśnienie serwisowe itp.) Można również dostosować w razie potrzeby.

Jiangsu Jinding Fire Protection Technology Co., Ltd.
Jiangsu Jinding Fire Protection Technology Co., Ltd., zlokalizowana w strefie rozwoju gospodarczego Jiang Su Xinghua, została założona w 1998 r. Jest to firma przemysłowa integrująca projektowanie, rozwój, produkcję i sprzedaż. Firma przeszła certyfikat ISO9001: 2015 System jakości i dobrowolne certyfikat produktu, a powiązane produkty uzyskały raport z inspekcji National Fire Equipment Queal Supervision and Inspection Center.
Nasza firma produkuje głównie kilka serii produktów, w tym złączki przeciwpożarowe, prądownice, hydranty, złączki rurowe o dużej średnicy oraz złączki do zaopatrzenia w wodę na złożach ropy naftowej. Produkty te znajdują szerokie zastosowanie w ochronie przeciwpożarowej, przemyśle naftowym, chemicznym, wojskowym i innych gałęziach przemysłu.
Firma ma dobre niezależne możliwości badań i rozwoju i ma pełny zestaw procesów produkcyjnych, takich jak produkcja pleśni, przetwarzanie produkcji i testy produktów. Jednocześnie Enterprise przywiązuje znaczenie z wymaganiami klientów, terminowo rozumie dynamikę rynku, stale rozwija i produkuje nowe produkty oraz wygrywa zaufanie i pochwałę nowych i starych klientów.
Firma dostarcza niezawodne Sprzęty adaptera Storz - kołnierz i profesjonalne usługi oparte na zaangażowaniu w jakość i partnerskiej współpracy, dążąc do budowania trwałych relacji kooperacyjnych z klientami.
27+

27 lat przemysłu Doświadczenie produkcyjne

Certyfikaty
Aktualności
Rozmawiajmy rozmowę
Po prostu przywitaj się, a my rozpoczniemy owocną współpracę. Rozpocznij własną historię sukcesu.
Potrzebujesz sprzętu do swojej firmy?
Pozwól naszemu zespołowi dostarczyć niestandardowe rozwiązania.