+86-0523-83274900
Smablowanie gwintowane storz

Smablowanie gwintowane storz

Sprzężenie do gwintowanego storz należy do serii STORZ CONEPLING, z jednym końcem zawierającym wątek wewnętrzny lub zewnętrzny a drugi koniec ma sprzężenie typu storz claw.
To połączenie jest przyzwyczajone Połącz węże przeciwpożarowe i sprzęt przeciwpożarowy (takie jak pompy przeciwpożarowe, węże przeciwpożarowe i hydranty przeciwpożarowe).
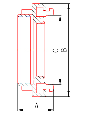
Zakres dla Produkcja małych rozmiarów wynosi 20-65.

Wymiary Zasoby

Pozycja nr.

DIN/mm

Dia

A/mm

B/mm

C/mm

Ky-m

Ky-f

25

1 "

39.7

55

31

40

1.5 "

39.5

79

52

50

2 "

52

98

66

65

2.5 "

52

118

81

80

3 "

55

126

89

100

4 ”

60

156

115

110

大 4 "

63

182

133

125

5 "

66

196

148

150

6 "

80

215

160

* Materiały i procesy produkcyjne można dostosować na żądanie.
* Inne wymagania (takie jak ciśnienie robocze, ciśnienie serwisowe itp.) Można również dostosować w razie potrzeby.

Jiangsu Jinding Fire Protection Technology Co., Ltd.
Jiangsu Jinding Fire Protection Technology Co., Ltd., zlokalizowana w strefie rozwoju gospodarczego Jiang Su Xinghua, została założona w 1998 r. Jest to firma przemysłowa integrująca projektowanie, rozwój, produkcję i sprzedaż. Firma przeszła certyfikat ISO9001: 2015 System jakości i dobrowolne certyfikat produktu, a powiązane produkty uzyskały raport z inspekcji National Fire Equipment Queal Supervision and Inspection Center.
Nasza firma produkuje głównie kilka serii produktów, w tym złączki przeciwpożarowe, prądownice, hydranty, złączki rurowe o dużej średnicy oraz złączki do zaopatrzenia w wodę na złożach ropy naftowej. Produkty te znajdują szerokie zastosowanie w ochronie przeciwpożarowej, przemyśle naftowym, chemicznym, wojskowym i innych gałęziach przemysłu.
Firma ma dobre niezależne możliwości badań i rozwoju i ma pełny zestaw procesów produkcyjnych, takich jak produkcja pleśni, przetwarzanie produkcji i testy produktów. Jednocześnie Enterprise przywiązuje znaczenie z wymaganiami klientów, terminowo rozumie dynamikę rynku, stale rozwija i produkuje nowe produkty oraz wygrywa zaufanie i pochwałę nowych i starych klientów.
Firma dostarcza niezawodne Smablowanie gwintowane storz i profesjonalne usługi oparte na zaangażowaniu w jakość i partnerskiej współpracy, dążąc do budowania trwałych relacji kooperacyjnych z klientami.
27+

27 lat przemysłu Doświadczenie produkcyjne

Certyfikaty
Aktualności
Rozmawiajmy rozmowę
Po prostu przywitaj się, a my rozpoczniemy owocną współpracę. Rozpocznij własną historię sukcesu.
Potrzebujesz sprzętu do swojej firmy?
Pozwól naszemu zespołowi dostarczyć niestandardowe rozwiązania.